630028 г. Новосибирск, ул. Чехова 421, офис 9
Пн - Пт: c 8.00 - 18.00 Сб - Вс: выходной

Термометры технические ТПТ-8, TMT-8

Наличие по запросу
Цена по запросу

Технические характеристики

Тип и вид исполнения Материал Степень защиты
от пыли и влаги
Время термической реакции [сек] Условное давление [Мпа]
Защитная арматура Головка
ТПТ-8-1 12Х18Н10Т - IP50 30 -
ТМТ-8-1
ТПТ-8-1А 12Х18Н10Т кабель МГТФЭ, МГТФЭФ IP50 30 -
ТМТ-8-1А
ТПТ-8-2 термоусадочная трубка кабель МГТФЭ IP50 10 -

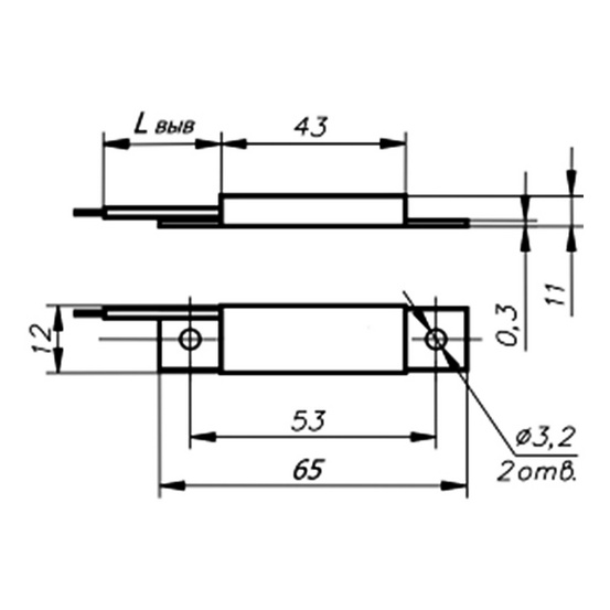
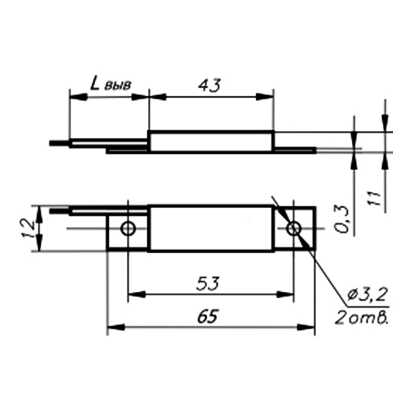
Базовые варианты исполнения ТПТ-8

Тип и вид исполнения НСХ Класс Диапазон температур, [°С] Схема соединения, № Диаметр монтажной части d, [мм] Длина монтажной части L, [мм]
ТПТ-8-1 50П, 100П, 500П, Pt100, Pt500 В, С от -50 до 150 2 - -
ТПТ-8-1А 50П, 100П, 500П, Pt100, Pt500 В, С от -50 до 150 2, 3, 4 - -
ТПТ-8-2 Pt100, Pt500 В, С от -50 до 85 2, 3, 4 - -

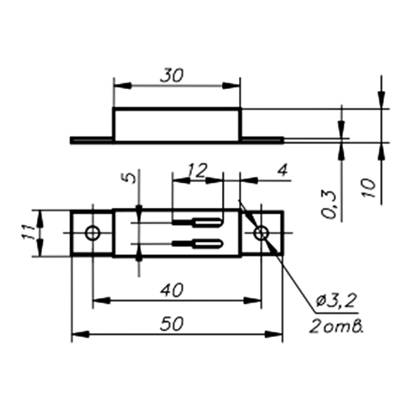
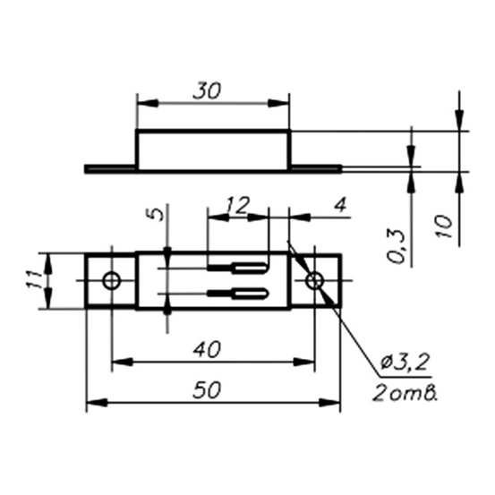
Базовые варианты исполнения ТМТ-8

Тип и вид исполнения НСХ Класс Диапазон температур, [°С] Схема соединения, № Диаметр монтажной части d, [мм] Длина монтажной части L, [мм]
ТМТ-8-1 50М, 100М В, С от -50 до 150 2 - -

Примечание

  1. масса термометров не более 0,01 кг;
  2. длина подводящего кабеля L, мм – 500, 1000, 1500;
  3. длина подводящего кабеля может быть изменена по требованию Заказчика.
  • Описание

Термометры из платины технические ТПТ-8
ТУ 4211-030-17113168-98
Госреестр №39144-08

Термометры из меди технические ТМТ-8
ТУ 4211-880-17113168-98
Госреестр №40416-09

Назначение

ТПТ-8-1, ТМТ-8-1 предназначены для измерения температуры поверхности твердых тел. Чувствительный элемент помещен в каркас из стали 12Х18Н10Т и залит эпоксидной смолой. ТПТ-8-1А, ТМТ-8-1А может быть использован для измерения комнатных температур. ТПТ-8-2, ТМТ-8-2 предназначены для контроля температуры обмоток электрических машин. Чувствительный элемент намотан на плоский текстолитовый каркас и покрыт органическим лаком КО-85 или эпоксидной смолой.

Примеры записи при заказе